Дворники с подогревом своими руками
Проблема примерзания дворников к лобовому стеклу в зимнее время знакома многим автолюбителям. Даже наличие функции фиксации дворников в сервисном положении часто не спасает. Более того, замерзание налипшего снега препятствует качественной очистке лобового стекла. Для людей, не собирающихся мириться с такого рода неудобствами, рассмотрим, как сделать дворники с подогревом своими руками.
Содержание статьи:
Альтернативные варианты
Если с понятиями силы тока, сопротивления, короткого замыкания, принципом работы реле, основными правилами установки и подключения дополнительного электрооборудования вы знакомы лишь отдаленно, то идею изготовления подогрева дворников своими руками лучше оставить до лучших времен. В качестве альтернативы можно предложить:
- купить готовые дворники с подогревом. Некоторые модели укомплектовываются модулем управления, который способен автоматически включать/выключать подогрев, в зависимости от изменения температуры. Питается подогрев от гнезда прикуривателя, поэтому нет необходимости вмешиваться в электропроводку автомобиля. К тому же если вы и захотите вывести включение на отдельную кнопку, это потребует меньше усилий, нежели полноценное изготовление подогрева;

установить подогрев зоны дворников, который спасет от примерзания щеток к стеклу. Единственное – помните, что при использовании в сильный мороз возрастает риск получить трещину лобового стекла из-за большого перепада температур.
Варианты самостоятельного изготовления
Исследовав всплывающие в сети материалы по запросу «дворники с подогревом своими руками», можно сделать вывод, что существует 3 популярных способа реализации подогрева:

с использованием нихромовой нити. Нихромовая проволока используется в качестве нагревательного элемента во многих электроприборах. Технология применима для каркасных щеток с полыми резинками, то есть с отверстием по всей длине щетки. Нихромовую нить можно использовать и в паре с бескаркасными дворниками, если конструкция последних позволяет закрепить нить в пазу без риска закорачивания участков нити между собой;с использованием провода МГТФ сечением 0.03 мм² (термостойкий монтажный провод с изоляцией из фторопласта). Особенностью фторопласта является морозостойкость, тугоплавкость, устойчивость к воздействию многих химическим вещества (кислоты, щелочи). Среди недостатков – негативное влияние на изоляцию резкого перепада температур, а именно это будет происходить при включении подогрева зимой. Провод МГТФ следует использовать только для неподвижной укладки, так как при постоянном механическом воздействии кабель может оголиться. Конструкция подогрева щеток стеклоочистителя предполагает изготовление своеобразного нагревательного элемента из провода МГТФ, который будет располагаться под кожухом бескаркасной щетки;

с использованием готовых нагревательных пластин для дворников. В продаже можно найти готовые комплекты различных размеров. Номинальное напряжение – 12 В, но допускается использование и в сети 24 В, если подключить два однотипные комплекты последовательно. Производитель пластин «Полярник» для модели ПЩ15 заявляет потребление тока – 23 Вт, что нужно обязательно учитывать при выборе номинала предохранителя и сечения проводов.
Вариант с нихромовой нитью
Для изготовления подогрева рекомендуется использовать нихромовую проволоку диаметром 0.32 мм². Обязательно рассчитайте потребление тока, чтобы установить предохранитель нужного номинала и выбрать сечение проводов. К примеру, 1 м нити серии Х20Н80 и диаметром 0.32 мм² имеет сопротивление 13,7 Ом. При известном напряжении и сопротивлении мощность можно узнать по формуле W = U2/R, где W— мощность, U2 – напряжение в квадрате, R – сопротивление. Можно вычислить, что мощность будет равна 14,3 Вт (14*14/13,7). Имея мощность, мы можем рассчитать силу тока по формуле I = W/U, где I – сила тока, W – мощность, U – напряжение. Сила тока будет равна 1 А. Рассчитав, сколько именно ушло у вас проволоки на обогрев щеток, вы сможете по указанному принципу рассчитать силу тока для выбора сечения проводов (удобней всего воспользоваться готовыми таблицами для подбора сечения по силе тока). Настоятельно рекомендуем ознакомиться со статьей о правильном выборе предохранителей, также немаловажно выбирать сечение проводов с небольшим запасом.
Особенности установки нити:

проволока должна быть надежно зафиксирована;нихромовая нить не имеет изоляции, поэтому недопустимо касание двух и более точек проволоки к металлическим элементам – это приведет к короткому замыканию;в местах, где нить выглядывает из щетки, для компенсации температурной деформации необходимо надеть изоляцию;поскольку места соединения нити и проводов становится крайне жесткими, должны быть в неподвижном состоянии. Это позволит местам пайки не обломаться при работе дворников.
В сети вы можете найти фотоотчеты изготовления обогрева для щеток «Хорс». Точную последовательность действий мы не описывали, так как конструкции дворников различного типа будут отличаться.
МГТФ проволока
Для изготовления нагревательного элемента забейте два небольших гвоздика на расстоянии, равном месту установки нагревателя в дворник. Обмотайте гвозди, как это показано на фото, после чего элемент можно установить под кожух бескаркасной щетки. Учтите, что концы провода МГТФ должны быть посредине дворников. Для лучшего распределения температуры получившийся шлейф можно обмотать фольгой. Для вывода проводов, скорее всего, придется делать отверстия в корпусе либо крепежных элементах.
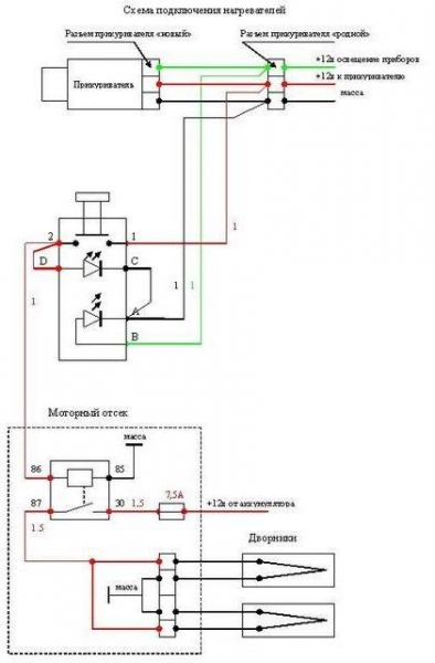
Схема питания
Подключение щеток с подогревом осуществляется через 4-контактное реле. Наибольший нагрев будет при параллельном подключении. Силовой + для питания подогрева лучше взять напрямую с АКБ, расположив предохранитель как можно ближе к батарее. Управляющий + реле можно взять с силового плюса, тогда нажатие кнопки в салоне должно подавать – на второй управляющий вывод реле.
На приведенной ниже схеме управляющий + взят от прикуривателя в салоне, а силовой и управляющий – замкнуты на массу. Такое подключение позволяет реализовать подсветку кнопки включения подогрева дворников.


Возможный вариант подключения