Причины неработающего корректора фар
Неисправности корректора фар снижают уровень безопасности при движении в темное время суток. Перед началом поиска и устранения поломки, из-за которой не работает корректор фар, ознакомьтесь с принципом работы системы регулировки уровня светотеневой границы.
Содержание статьи:
Неисправности гидрокорректора
Среди наиболее вероятных причин неработающего гидрокорректора фар можно выделить разгерметизацию мест соединения трубок, уплотнительных манжет. Последствием неплотных соединений является утеря рабочей жидкости, подсасывание в систему воздуха. Для исправного перемещения рабочих поршней система должна быть полностью заполнена жидкостью. Производитель не предполагает ремонт гидрокорректора, поэтому в случае выхода системы из строя узел меняется в сборе. Тем не менее в статье «Как отремонтировать корректор фар» показано, что система поддается дефектовке и восстановлению.

6 – ручка регулировки светового пучка; 1 – главный регулировочный механизм; 2 – рабочие цилиндры со штоком, воздействующим на отражатель фар.
Где находится гидрокорректор ламп? У каждого из блока фар находится исполнительный механизм, воздействующий на отражатель, от которого в салон идут 2 трубки. Через технологическое отверстие в моторном щите трубки идут к главному цилиндру и переключателю на приборной панели.
Замена
Все работы будут показаны на примере автомобилей ВАЗ, в частности, Лада Гранта, но и на других моделях конструкция не будет иметь больших отличий. Демонтаж неисправного гидрорегулятора:

демонтируйте нижнюю декоративную панель слева от рулевой колонки (держится на клипсах);снимите ручку переключателя гидрокорректора. Для демонтажа достаточно потянуть ручку на себя;главный механизм крепится гайкой на 21, открутить которую можно только с помощью накидной головки. Поскольку усилие зажатия гайки небольшое, для откручивания также подойдет накидная головка на 22;вытащите главный механизм с внутренней части;в корпус каждой из фар входит свой рабочий цилиндр. Чтобы его вытащить, проверните корпус исполнительного механизма против часовой стрелки до освобождения защелок и потащите на себя;необходимо освободить трубки, которые крепятся к кузову специальными клипсами с хомутами. Если вы не собираетесь ремонтировать гидрокорректор, то трубки можно отрезать, что значительно упростит их демонтаж (их можно будет просто вытащить, потянув за отрезок трубки у левой фары). Бывает, что гидрокорректор не работает, но жидкости в системе еще довольно много, поэтому заранее приготовьте емкость для ее слива;снимите отрицательную клемму и демонтируйте аккумулятор, чтобы получить доступ к технологическому отверстию в моторном щите (потребуются накидные ключи на 10 и на 13);утопите сначала один из краев уплотнительной резинки отверткой, после чего постепенно продавите ее в салон;вытащите трубки вместе с уплотнителем, потянув за главный механизм в салоне. Скорее всего, придется отсоединить разъемы у педального узла, которые будут блокировать выход уплотнителя.
Установка нового гидрокорректора
Для установки с салона протяните через отверстие исполнительные механизмы и трубки до манжет. Поскольку пространство у педального узла ограничено, желательно попросить кого-то потянуть в подкапотном пространстве за направленные вами изнутри трубки. Уплотнительную резинку необходимо вытащить за моторный щит, после чего уже с наружной стороны установить в паз. Вам останется только уложить трубки по заводскому контуру. Клипсы с хомутами при необходимости можно купить либо заменить обычными хомутами.
Неисправности электромеханического корректора
Система с электроприводом гораздо надежней гидрокорректора, но и она не лишена недостатков. Возможные неисправности:
- обламывание, перетирание проводов, образование окислов в разъемах;износ элементов электродвигателя;перегорание элементов схем (к примеру, вследствие перенапряжения в бортовой сети машины или попадания влаги внутрь корпуса блока управления). Неисправность резисторов может привести к тому, что корректор будет работать неправильно либо только в ограниченном диапазоне регулировки. Часто проблемой является износ резистивных дорожек, провоцирующий дребезг контактов. ЭБУ будет пытаться постоянно уравнять напряжение, вследствие чего элементы микросхем выходят из строя из-за перегрева.
Нами будет рассмотрен процесс диагностики электромеханического корректора фар принудительного действия. Диагностика сложных неисправностей автоматизированных систем, в работе которых используется датчики уровня дорожного просвета, требует куда более специализированной технической подготовки.

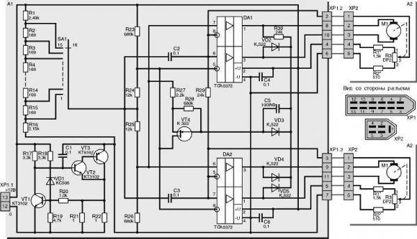
Принципиальная схема
Перед началом диагностики следует изучить электрическую схему подключения мотор-редукторов на вашем автомобиле. Чаще всего применяются 2 типовые схемы включения:
- с 5-ти проводным разъемом мотор-редукторов. Такой способ подключения можно встретить не только в штатных системах, но и в комплектах для установки электрокорректора своими руками (к примеру, ЭМКФ 11);

с 3-х проводным разъемом мотор-редукторов (чаще всего встречается на современных авто). Соответственно, один из контактов будет «массой», второй – постоянным «+», третий – сигнальным проводом.

Несмотря на разную распиновку, работает электрокорректор фар на большинстве машин по схожему принципу. Принцип работы основывается на постоянном сравнении напряжения на двух переменных резисторах. Один из резисторов связан с переключателем положения корректора фар на приборной панели, а другой с датчиком фактического положения штока электрокорректора. Сравнивание напряжений дифференциальным усилителем позволяет реализовать уравнивание напряжений при ошибке рассогласования. Таким образом, поворот переключателя на приборной панели приводит к выдвижению электропривода корректора фар на фиксированное расстояние.
Методы диагностики
- Проверка предохранителя (рекомендуем прочитать, как правильно заменить плавкую вставку). Если предохранитель часто перегорает, в цепи присутствует оголенный контакт, провоцирующий КЗ.Визуальный осмотр разъемов на предмет наличия окислов контактов, также следует осмотреть видимый контур проводки на предмет перетирания, обрывов. Окислы с контактов можно убрать надфилем.Проверка питания мультиметром. Если проверка мультиметром показала, что причина неисправности не в разъемах либо проводке, для поиска поломки следует разобрать мотор-редуктор или блок управления корректором фар. Осмотримте схемы на предмет обгоревших, вздувшихся радиодеталей, плохо припаянных контактов. При необходимости большинство элементов можно без труда купить в магазине радиодеталей.
Проверка питания мультиметром
Если ранее вы не сталкивались с диагностикой электроприборов, рекомендуем ознакомиться с инструкцией по использованию мультиметра. Первым делом необходимо проверить, приходит ли на разъем мотор-редуктора постоянный «+» и есть ли на нем «масса». Также в режиме измерения постоянного тока (DCV) плюсовым щупом подключитесь к сигнальному проводу, а минусовым к пину «массы».
В выключенном состоянии напряжение минимально, тогда как при вращении переключателя должно быть от 3 до 10 В. Перед проверкой необходимо включить ближний свет фар.
Если «–» либо «+» в фишку не приходит, ту же операцию следует провести с разъемом, подключающимся к блоку управления в салоне машины. Если с фишки ЭБУ питание уходит, но к разъему так и не приходит, значит, дело в обрыве проводки. Если питание мотор-редуктора отсутствует и на разъеме, следует проверить «массу» и «+» самого блока управления. Ситуация, когда питание к блоку приходит, но ЭБУ никак не реагирует на смену положения переключателя, говорит о неисправности внутри блока управления корректором фар.
Не рекомендуется долгое время подавать напрямую напряжение АКБ на выводы мотор редуктора, чтобы проверить его работоспособность. Для корректной диагностики электропривода следует включить в схему подстроечный резистор номиналом 10 кОм.