Схема подключения вентилятора радиатора
Конструкция и принципиальная схема вентилятора радиатора могут отличаться не только в зависимости от марки автомобиля, но и от года выпуска и комплектации модели. Рассмотрим не только принцип работы, но и вариант подключения с возможностью принудительного включения вентилятора системы охлаждения (ВСО).
Содержание статьи:

Особенности конструкции системы охлаждения
В зависимости от особенностей конструкции, включение вентилятора может происходить 3-мя способами:
- с помощью силового датчика активации ВСО. Еще такой датчик называют температурным реле включения вентилятора, так как силовые контакты электродвигателя проходят непосредственно через датчик. При такой схеме значительно возрастает нагрузка на термореле, что снижает его ресурс;с помощью датчика включения вентилятора, но теперь замыкание контактов в температурном переключателе приводит к срабатыванию реле, через которое и подключены силовые контакты электровентилятора системы охлаждения. Такой способ подключения намного надежней предыдущего варианта;с помощью электронного блока управления двигателем. ЭБУ, ориентируясь на установленный в радиаторе охлаждения двигателя датчик температуры охлаждающей жидкости, подает через реле питание на ВСО. В качестве измерителя используется резистивный термодатчик. Именно такая схема включения используется на подавляющем большинстве современных автомобилей. На машинах, оборудованных кондиционером, одним из электровентиляторов будет управлять блок комфорта. Необходимо это для принудительного охлаждения конденсатора при задействованной системе кондиционирования салона.
Режимы работы
Разбираясь в принципе работы и схеме подключения вентилятора радиатора, следует помнить, что электродвигатели зачастую имеют два скоростных режима. Реализуется это 2-мя способами:
- добавлением в цепь резистора, повышающего сопротивления и, как следствие, уменьшающего силу тока. В конструкции используется двухконтактный датчик, который в зависимости от температуры питает электродвигатель напрямую либо через сопротивления;комбинацией параллельного и последовательного включения. Схема применяется на авто с двумя вентиляторами. Они могут быть подключены последовательно, в случае чего по закону Ома будут работать от 6 В, либо последовательно, когда на каждый из ВСО подается 12 В. Режимы соответствуют малой и большой скорости вращения пропеллера.
Варианты схем
Принципиальная схема подключения ВСО на ВАЗ 2108, 2109, 21099 (до 1998 г.в.).

Как мы видим, датчик управляет реле включением вентилятора, которое расположено в монтажном блоке предохранителей. При достижении определенной температуры контакты температурного переключателя замыкаются, что приводит к протеканию тока в цепи электродвигателя.
Выше представлена схема для авто ВАЗ 2108, 2109, 21099, но после 1998 г.в. Как мы видим, датчик включения теперь выполняет функции реле.

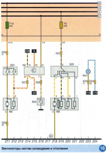
Схему с использованием резистора для реализации двух скоростей вращения пропеллера рассмотрим на примере VW Passat. Двухпозиционный датчик питания вентилятора S23, в зависимости от температуры охлаждающей жидкости, замыкает контакты напрямую либо через добавочное сопротивление.

Подключение своими руками
Некоторые водители, предостерегая двигатель от перегрева вследствие неправильной работы термореле питания вентилятора радиатора, делают выносную кнопку для принудительно включения электродвигателя. Для этого достаточно параллельно к управляющему выводу реле, идущему от датчика, подключить фиксируемую кнопку, которая при нажатии будет замыкать контакт на массу, провоцируя тем самым срабатывание реле. Если конструкцией автомобиля не предусмотрено реле вентилятора, для принудительного охлаждения радиатора его придется установить самостоятельно.
Ни в коем случае не подключайте электродвигатель напрямую через кнопку в салоне! Также не советуем подключать строить схему так, чтобы после включения зажигания электровентилятор постоянно вращался, так как это значительно снижает его ресурс.
Для подключения вам достаточно понимания принципа работы 4-контактного реле и минимальных знаний в монтаже дополнительного оборудования. Обязательно включите в силовую цепь предохранитель нужного номинала и расположите его как можно ближе к источнику питания (подробно о том, как правильно подобрать номинал предохранителя).

При желании можно заменить однопозиционный датчик на двухпозиционный, что в паре с подобранным резистором позволит реализовать малую скорость работы ВСО. Если вы обладаете достаточным уровнем знаний в электротехнике, то для регулировки скорости вращения пропеллера можно соорудить ШИМ-регулятор. Управления электровентилятором с помощью ШИМ-сигнала позволит плавно регулировать и произвольно выбирать скорость вращения в зависимости от температурной нагрузки на двигатель. На просторах интернета достаточно материалов о том, как сделать ШИМ-регулятор своими руками.