Подключение центрального замка
Наличие ЦЗ в авто значительно повышает уровень комфорта. Подобной функцией комплектуется подавляющее большинство современных автомобилей. Остальным водителям остается устанавливать ЦЗ своими руками. Рассмотрим, как подключить центральный замок, а также установку простейшего дистанционного управления.
Содержание статьи:
Принципиальное отличие основных видов ЦЗ
Настоятельно рекомендуем оставить решение проблем, связанных с электричеством, если вам не известен принцип работы и предназначение подключаемых элементов питания. Подключение ЦЗ не является исключением из этого правила.
Принципиально устройства автоматического отпирания/запирания замков дверей можно разделить на 2 вида:
- ЦЗ с электроприводом. В дверях устанавливаются электрические активаторы. Каждый механизм может иметь индивидуальный блок управления либо управляется единым блоком (именно такая схема применяется на бюджетных авто);пневматический ЦЗ. Тяга активатора перемещается за счет изменения давления воздуха внутри магистрали. На данный момент система устарела и не используется, в прошлом такие системы устанавливали Mercedes, BMW, VW, Audi. Восстанавливать такую систему либо устанавливать своими руками экономически нецелесообразно. Гораздо проще установить электрические активаторы, подключив все к блоку с функцией дистанционного управления.
Рассматривать будем центральный замок с электроприводами. Устройства такого типа делятся на 2 вида:
- с управлением плюсовым потенциалом;с управлением минусовым потенциалом.
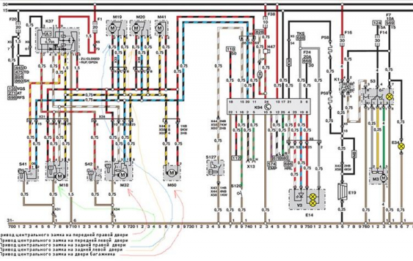
Что такое управляющий сигнал и зачем он нужен, вам станет понятно, когда мы рассмотрим принцип работы простейшего ЦЗ. В качестве примера возьмем наиболее распространенную на бюджетных авто схему с управлением по минусу. Принципиальная схема взята с руководства по ремонту и эксплуатации Opel Astra F.

Как работает простейший ЦЗ
Сразу можно увидеть, что в водительской двери установлен 5-проводной активатор. Некоторые производители авто, желая сэкономить, не устанавливают управляющий сервопривод в водительскую дверь, а только кнопку.
Что мы видим на схеме:
- S41 – концевик, расположенный у личинки замка водительской двери. При повороте ключа на отпирание либо запирания на блок ЦЗ коротко (порядка 1 сек.) подается минусовой потенциал.S42 – концевик пассажирской передней двери.M18, M19, M20, М32 – активаторы в дверях. М41 – замок запирания лючка бензобака, М60 – сервопривод багажника; Для работы сервоприводов достаточно 2 провода, которые называются силовыми. Разница потенциалов на этих проводах запускает двигатель, передвигающий тягу замка. В зависимости от того, на каком из проводов будет -, а на каком +, моторчик будет крутиться в одну либо другую сторону. Третий провод (сине-черный) необходим штатной сигнализации для контроля состояния замков.К37 – блок управления ЦЗ. Для работы блоку обязательно необходимы постоянный + и масса. С пассажирских актуаторов к блоку приходят два сигнальных провода (бело-коричневый и коричневый). В незадействованном режиме на них небольшой положительный потенциал. Появление на одном из проводов минуса провоцирует закрытие, на втором – открытие. Именно этот минусовой сигнал определяет – управляется ЦЗ по минусу либо по плюсу. В зависимости от того, на каком из проводов появляется -, блок подает напряжение нужной полярности на силовые провода.
Именно так работает простейший ЦЗ, который даже не реагирует на то, открыта водительская дверь либо закрыта. Простейший блок управления центральным замком работает по схеме двух 5-проводных реле. Предлагаем посмотреть видео, на котором подробно рассказан принцип работы и способ подключения двухпроводных активаторов.
Как реализовать дистанционное управление
Привлекающий своей низкой стоимостью блок ДУ с Aliexpress в последнее время завоевал большую популярность. С помощью блока такого типа вы можете подключить дистанционное управление к штатной системе либо оснастить авто ЦЗ своими руками, предварительно купив 4 двухпроводные активаторы. Разумеется, ни о какой защите автомобиля от угона речи идти не может. Столь бюджетный блок управления центральным замком может выполнять только сервисную функцию.

Нажатие кнопки на брелке заменяет физический поворот ключа в личинке замка для отпирания и запирания авто. Принимая сигнал, блок управления подает напряжение на силовые провода. За работоспособность блока и замков авто отвечает всего 6 проводов:
- постоянный +, защищенный предохранителем (в нашем случае — 15А);масса;2 силовые провода, идущие на сервомоторы;2 управляющие провода.
Остальные провода подключаются для световой сигнализации, доводчиков стекол и т.д.; отдельно можно запитать открытие багажника либо лючка бензобака.

Рассматриваемый блок может быть внедрен не только в штатную систему с управлением по минусу либо плюсу, но и в ЦЗ с вакуумным приводом. В комплекте с блоком ДУ идет инструкция, позволяющая подключить систему параллельно штатному блоку ЦЗ. В таком случае работоспособность заводского блока управления сохраняется.

Подключение
Схема центрального замка для подключения универсальных двухпроводных актуаторов.

Плюсовой провод можно протянуть непосредственно от АКБ, установив предохранитель на 15А как можно ближе к батарее, либо взять от защищенной цепи в блоке предохранителей. Потребление тока зависит от мощности и количества сервоприводов ЦЗ. Рекомендуем прочитать, как рассчитать номинал предохранителя. Массой может послужить любой болт, прикрученный к кузову автомобиля.
Если вы подключили провода, но при нажатии кнопки «закрыть» активаторы открывают замки, поменяйте местами силовые провода (в нашем случае – белый и бело-черный).
С блока дистанционного управления ЦЗ для отпирания/закрытия багажника выходит синий провод, на котором при нажатии клавиши появляется «минус». Подключить багажник можно при помощи дополнительного 4-контактного реле. Как подключить реле, наглядно показано на видео. При подключении коричневого провода постановка и снятие автомобиля с охраны будет сопровождаться морганием габаритов либо поворотных фонарей. Зеленый провод – управляющий сигнал для доводки стекол. После закрытия дверей авто на него порядка 30 секунд подается напряжение, что достаточно для поднятия стекол даже из полностью опущенного положения.
Внимательно отнеситесь к соединениям и изоляции проводов. Не приступайте к подключению без понимания электрической схемы и принципа работы ЦЗ на вашем автомобиле. Неправильная установка центрального замка своими руками чревата риском возгорания авто. Надеемся, предоставленные видео помогут ответить на оставшиеся вопросы по установке центрального замка с дистанционным управлением.